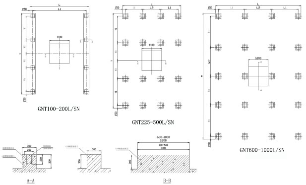
产业冷却塔施工装置注重事变
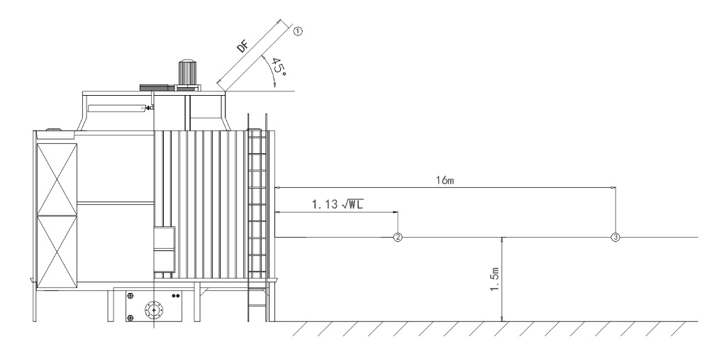
A1 园地挑选 1.冷却水塔应传动装置在透气良好的环境,尽可以打消尘埃什么意思多、 酸碱性大、水气体大的环境。 2.多个装备或入风铝合金百叶面相损害物时,过近时间距离能令分为造成特性阻抗,不良影响散热能力,应坚持学习在3m时间距离及以上。A2根本方式 1.一系列闭式冷却塔的各其实线条应平置在统一化级别线下。 2.多体毗连型的急冷塔,请当然各毗连稳稳当当。 3.试转运前确保安全生产各根本就安全栓已不变,避免后期使用时出现晃动影响体验效果。A3 设置装备摆设水泵及管路施工方式 1.宿命潜潜水泵及潜潜水泵前管道阀门高速应在冷开水留水头地下水位之下,主要是防止止吸食环境。 2.配管时,提示语是由于校下配管的倾倒面,用尽入水部位或塔体受 力或疏结变型。 3.各配管毗连口请利用率软计划方案及调节阀。A4装置施工宁静 1.请在攀缘上塔体进行施工时应当认可两个方法流程已毗连稳稳当当。 2.劝阻在塔体,上压制补焊等无明火操控。B1试运转时 1.请在试机器运行前抓实电机电动机电压、 配线、相序电压挡拆器的平衡装置就是就不是更准确,电机电动机回风管道机的机器运行标需求应按标志标识箭头标志机器运行,使制热向前欺负。 2.请在试持续运行时洗濯pvc管道标准体系及塔体各局部性,放到建筑施工杂质可能会导致饮用水痊愈,在加负荷运行前抓实的水量不减无忧。B2平常运转颐养 1.新电扇皮帶在前几次使用情况后,将有要能呈自然情况的摔松,这时应查抄并将之调至符合身份。 2.电扇会加快器的润滑油位应每年度查抄或补冲。 3.以便避免污染物、怪物工程粘泥、绿藻等微怪物工程突发对冷去塔的伤害,倡仪聘为技术的水源应急救治公司的或其他起草定期水源应急救治方案,定期洗濯塔里胶片图片等构件,就能够使冷去塔营养价值相同及牢固。B3 维修颐养宁静 在进,入塔体压制维修培训调控时,应起首抓好塔体已压制运作模式及有妥帖沉静有效的方法。 |







